Кукурузник-ХХI

Thread moderators: Lapshin
Поздравляю Владимир Павлович, с рождением такой нужной и необходимой для народа машиной, дай Вам Бог здоровья!
 
Владимир Павлович, примите мои поздравления и выздоравливайте !!!
Рад, что самолёт полетел (хотя ранее имел большой скепсис, учитывая сколько проектов было громогласно заявлено и разворовано).
Теперь ждём продолжения испытаний, а далее серийного производства.
 
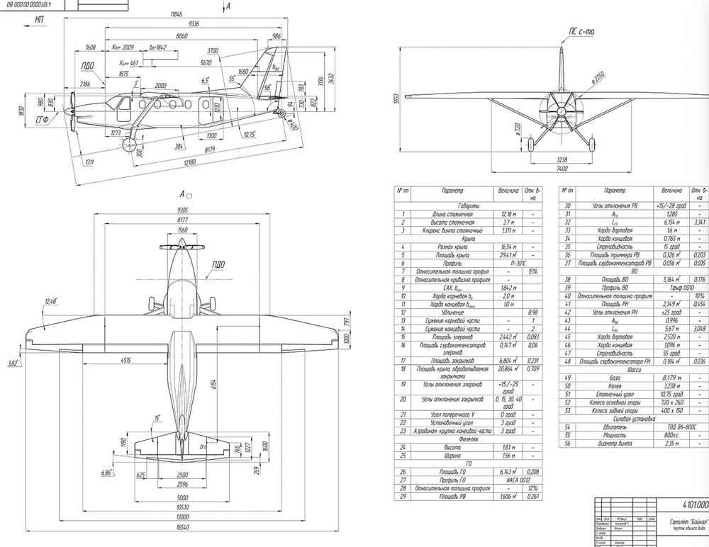
Владимир Павлович, у ЛМС-901 отрицательный V крыла, или это визуальный эффект?
Скорейшего выздоровления Вам!
 
Владимир Павлович, у ЛМС-901 отрицательный V крыла, или это визуальный эффект?
Скорейшего выздоровления Вам!
По средней регулярной части
крыла V=0;на сужающихся концевых частях задняя кромка горизонтальна и вокруг нее крутка - 3 градуса.
Но как несет:по крсйрим сведениям, отрыв на 6-й секунде был при70% мощности.
 
По средней регулярной части
крыла V=0;на сужающихся концевых частях задняя кромка горизонтальна и вокруг нее крутка - 3 градуса.
Но как несет:по крсйрим сведениям, отрыв на 6-й секунде был при70% мощности.

Понятно.
А наружные панели крыла ещё имеют стреловидность(это так?) - вот со стороны и кажется что крыло имеет отрицательный V.
 
Ну конечно:при гор. задней кромке, передняя крлмка к концуопускается и V при этом отрицательный. И уровень перекрестных связей комфортный.
 
Lapshin
Владимир Павлович Вы выздоравливайте видно, что пишете в неудобном положении, что у Вас ковид?
 
при гор. задней кромке, передняя крлмка к концуопускается и V при этом отрицательный.

С круткой относительно задней кромке крыла всё понятно, а наружная часть крыла(в плане) имеет стреловидность?
Проекций самолёта не видел, но со стороны кажется что она есть...
 
Ось поворота элерона перпендикулярна ПСС - а, имея сужениеконцевая часть действительно стиеловидна, причем, перезод к регулярной части скруглен.
 
Спасибо.
Теперь понятен такой визуальный эффект...
Данная форма в плане очень близка к идеальной эллиптической, а скругление между регулярной и сужающейся частями, искючает образование вихря на переломе.
 
Данная форма в плане очень близка к идеальной эллиптической, а скругление между регулярной и сужающейся частями, искючает образование вихря на переломе.

Только-что нашёл на интернете - действительно форма крыла очень близка к эллипсу.

3876201_original.jpg
 
Шасси очевидно слабовато. И консольные стойки слишком "мягкие". Это не критика, а пожелание. В эксплуатации мои слова подтвердятся.
В целом самолет хороший. Золото возить 🙂
 
Это Вы про диапазон центровки предвидите или про стоимость аппарата и будущих эксплуатантов?


Это я про узкую специализацию самолета. Он не станет народным/народнохозяйственным, как Ан-2. Дороговат и не универсален. Да, перевезти вип-пасажиров или ценный груз, ему равных не будет ( но с шасси надо заняться сейчас, не ждать, пока гром грянет - например, я уже предупреждал авиаторов из Алферьево с Л3м - не послушали https://reaa.ru/threads/obletali-novyj-samolet.18517/ пост № 16! Чем закончилось 😢? ). Поэтому это не Куку-21. И он не в той теме.
 
Интересно если пересчитать стоимость производства и цену Ан-2 в советское время на. Современные деньги сколько получится? Дешёвый самолёт будет?
Нет, не будет.
В те времена материал ценили куда дороже оплаты труда поэтому, фюзеляж Ан-2, например, состоит из множества мелких панелейдвойной кривизны.
 
Назад
Вверх