Самодельный ДВС

Вот поршень с шатуном от ИЖ-350.
1752442539548.jpeg
 
А зачем такой длинный вал? Это же не эстетично... Вернее не правильно, зажимать конусную втулку через деревянный винт , да и современные, поворотные винты не рассчитаны на такое осевое сжатие. У меня было так , винт центрировался по юбке на гайке.
Прага.JPG
 
А зачем такой длинный вал?
В 3D модели, я повторил всё в точности, как было напечатано в журнале "М-К"№6, 1988г. Такая была у меня цель.
Как я предполагаю, такой длинный вал был изготовлен с целью посадки кока воздушного винта.
 
Можете PDF если есть выложить?
Извините, к сожалению, PDF у меня нет. Это скан из старинного альбома ИЖ-350.
Размер графического файла который у меня на диске немного мелковат, но другого у меня нет и найти не удалось.
 

Вложения

Добавил в 3D модель зубчатое колесо.
1752524341093.png

В последствии заменю переднею пару г-образных ножек крепления мотора, на плиту под стартер СТ-366, как это выполнено на авторской фотографии.
 
Последнее редактирование:
Можете PDF если есть выложить?
Спасибо.
Сегодня нашел целиком весь альбом "Мотоцикл ИЖ-350 Основные данные по металлам и термообработке деталей".
Есть еще и вторая страница по шатунно-поршневой группе.
PDF документ с этими двумя страницами прилагаю.
С ув. Георгий.
 

Вложения

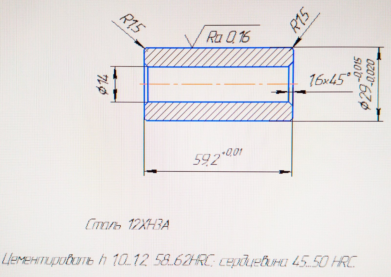
Нижний шатунный палец. Вариант для щек коленвала толщиной 20мм.
 

Вложения

  • IMG20250715174103.jpg
    IMG20250715174103.jpg
    436,7 КБ · Просмотры: 99
А почему хром не хотите?
С диаметром посадки Ф29 конечно будет более жестко.
Да, больше диаметр, больше натяг можно дать. Но и прессовать более сложно без полки.
А со щеками и более коротким пальцем 19 мм можно конечно с экономить. Значит и картер на этот размер можно уменьшить и вес общий всего уйдет. Три щеки + картер наверное с 0.8 кг снимет.
С новым пальцем Вы тоже закладывали натяг в щеке по и8?
 

Вложения

Со ступенькой был первый вариант. Намучился я с ним. Надо слева и справа соблюсти соосность, линейный размер трудно соблюсти, концентраторы на ступеньках. Поэтому в следующих вариантах я упростил до гладкого пальца. Прессую в среднюю щеку до упора, монтирую шатун, снова охлаждаю, быстро, но тщательно убираю снег/лед с пальца и напрессовываю крайнюю щеку, скользящую по центральному монтажному пальцу. Между щек при этом вкладываю шлифованную подковообразную пластину толщиной 19.2. Она и есть упор.Потом переворачиваю эти щеки, переставляю центральный стержень, вставляю вторую калиброванную подкову и прессую третью щеку.
Хром облезет мигом и перемелет п/ш822906. Ни в коем случае!
 
Натяг по посадке И8 минимальный, на четырехцилиндровке я делал 0,12...0,14, но прессовал в шлифованные отверстия и в закаленную щеку 30ХГСА. Естественно, морозил пальцы в жидком азоте по часу.
 
Назад
Вверх