Вопросы теории вертолетов, спорим, рассуждаем, объясняем...

Обьясните мне пожалуйста прямые приимущества друг от друга, у какого винта лучше характеристики, а так же  и для авторотации:
Двухлопастной, длинна лопасти 3200мм, хорда 153мм, форма прямоугольная.
Трёхлопастной, длинна лопасти 3200мм, хорда 153мм, форма прямоугольная.
Взлётный вес 450кг, двигатель 100л.с
Подскажите каким образом крепить трёхлопастную втулку к валу не жёсткого , а карданного типа?


Ну я так понимаю, что Вы для себя уже все решили.
Раз уже интересуетесь карданной подвеской втудки НВ к валу НВ.

Какого плана преимущества Вас интересуют???

Одно могу сказать уже сейчас.
Подвешивать трехлопастный НВ именно на кардане- это оооооооочень сложная задача.
С двухлопастным НВ эта задачка решается колоздо проще.

У двухлопастного НВ ( если он с общим ГШ) поперечный шарнир того будущего карданчика уже есть.
Это Общий ГШ.
Осталось впендюрить еще один (продольный) и вуаля.
Карданная подвеска НВ готова.

Обьясните мне в двух словах, чем обосновано Ваше желание подвесить на кардане еще и трехлопастный НВ?????????????
 
По лопастям я ничего не решил, а только собираю советы  и сейчас начал читать "Конструкция и проектирование вертолётов" Братухина. Когда дошёл до фокуса лопасти тут то мозг начал закипать.
Характеристики преследую такие:
Взл. полный  вес 440-450кг .
Двигатель 100л.с
Количество лопастей - ?...... двух  проще, трёх тяжело и + транспортировка . Выбор количества лопастей зависит от того на каких лучше авторотация , управление, подъёмная сила. У кого больше преимуществ? Изготовление итд.
Длинна от 3000мм - 3300мм  1-й лопасти .
Хорда -? от 150мм двух лопастной....трёх лопастной - ?
Профиль NASA - ?
Вес лопасти ? Лёгкая  Тяжёлая? Какая.
Обороты ГВ -? 450 - 600-?
Стоит ли заморачиваться с выносом втулки ХВ в одну плоскость с ГВ?
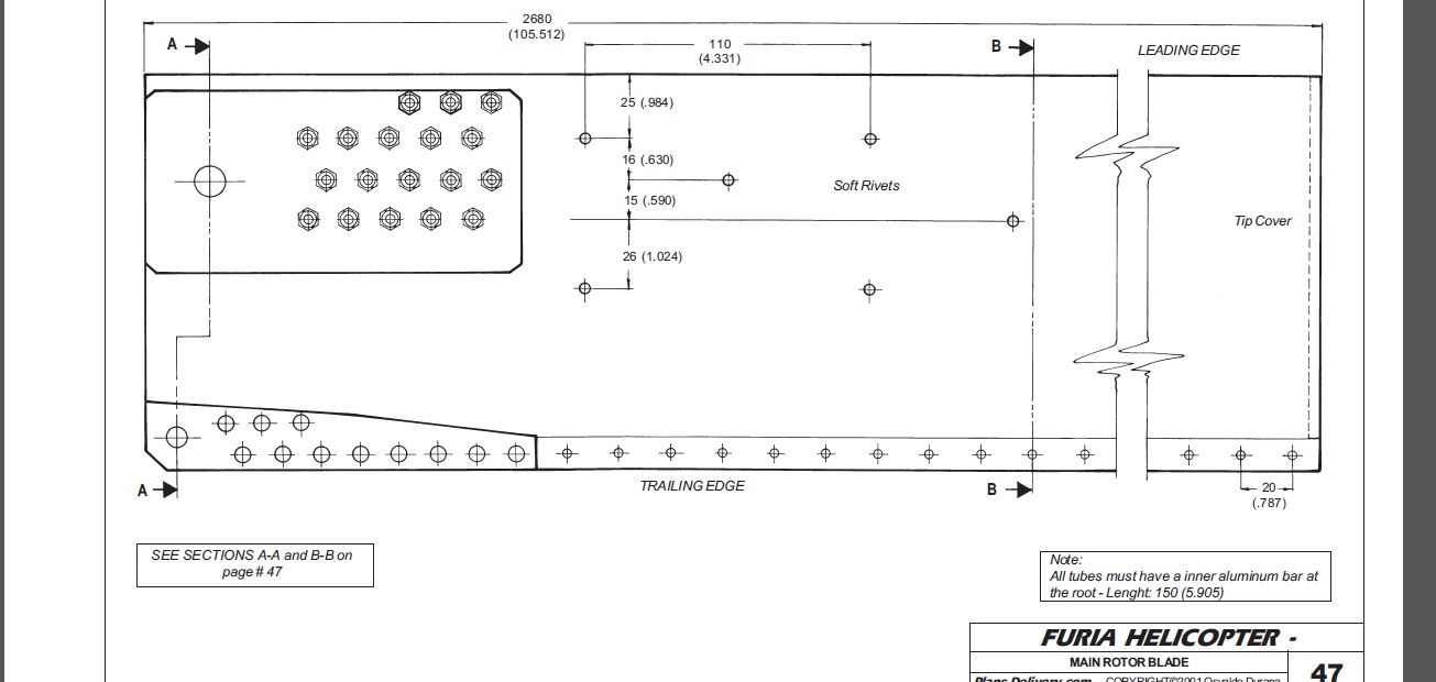
Пока отталкиваюсь конструктивно от чертежей Фурии (80стр.)
Вчера наткнулся на СН7 пока кроме фото и видео ничего толкового не нашёл. Вот и пока все вопросы 🙂
 
Вопросов много, и просто - на них не ответить.
Тем более, что отсутствует ещё один параметр - крутка лопасти. Она бывает профильная и геометрическая. Но(!), на вертолётах встречаются ротора с круткой/крутками/и без круток вообще - всё зависит от технологичности и применения. Но и тут однозначного ответа нет.
Чаще "пробуют" применять готовые характеристики, "слизывая(копируя)" уже когда то применённое и оправдавшее себя, потому что поисками нового, обычно занимаются исследовательские институты направлений, одному "самоделу", как правило, такого не осилить достойно. 🙂
 
Вопросов много, и просто - на них не ответить.
Тем более, что отсутствует ещё один параметр - крутка лопасти. Она бывает профильная и геометрическая. Но(!), на вертолётах встречаются ротора с круткой/крутками/и без круток вообще - всё зависит от технологичности и применения. Но и тут однозначного ответа нет.
Чаще "пробуют" применять готовые характеристики, "слизывая(копируя)" уже когда то применённое и оправдавшее себя, потому что поисками нового, обычно занимаются исследовательские институты направлений, одному "самоделу", как правило, такого не осилить достойно. 🙂
Обьясните для меня про крутку лопасти, а то в книге пара строк и график....?
трактую:
В производстве проще всего изготовить прямоугольные не закрученные лопасти, но желание получить несущий винт с более высоким кпд заставляет проектировать закрученные лопасти трапецевидной или пряпоугольной формы.
В последних конструкциях применяеться линейная закрутка лопастей. Можно рекомендовать линейную закрутку от 8до12 градусов (считая за крутку разность в углах установки в сечениях r=0 и r=1.0) , а дальше график ?
Разбирайся как хочешь! 🙁
Объясните проще для среднеспециального образования.
 
Коля, все очень просто.

Трехлопастных втулок с подвеской именно втулки к валу на кардане на сколько я помню не существует.

Остается тоько двухлопастная.
 
Трехлопастных втулок с подвеской именно втулки к валу на кардане на сколько я помню не существует.

Остается тоько двухлопастная.
Сейчас может и не существует, но раньше существовала, и показывала неплохие результаты. 😉
 
Даже вон у Робинсона крутка совсем небольшая, видно визуально. Значит чем то это обосновано?
 

Вложения

  • 800px-R44-N74460-070323-a_radecki.jpg
    800px-R44-N74460-070323-a_radecki.jpg
    107,4 КБ · Просмотры: 164
@ Паша, дак вроде и невозможно проще о геометрической крутке - это же простая геометрия. Сама лопасть, имеет вид, как самый простой самолётный винт, только как бы "вытянутый" на большую длинну. Профиль лопасти, обычно постоянный, какой имеет лучшие характеристики по круговой обдувке. Чаще применяется  NACA-23012, либо 23011(тоже неплохой - но он лучше подходит под высокие переферийные скорости лопасти. При геометрической крутке, применяется как конечный участок консоли лопасти)
 
Объясните проще для среднеспециального образования.
У комля лопасти r=0 лопасть имеет "нулевой угол" установки, к концевому сечению r=1 её угол установки линейно, т.е. равномерно по всей длине, увеличивается до указанных 8-12 градусов.
Спасибо. Дошло.   
Такую лопасть только заказывать, сам не сделаю. Я  так понимаю самодельщики или покупают лопасть или делают без крутки, гаражные услоаия всётаки 🙂.
 
Когда сравнил с самолётным винтом всё понял про крутку 🙂
Вот сделал сканы  изготовления лопастей по Фурии :
 

Вложения

  • 75282.jpg
    75282.jpg
    79,1 КБ · Просмотры: 189
  • 96378.jpg
    96378.jpg
    116,7 КБ · Просмотры: 227
  • Bezymjannyj_098.jpg
    Bezymjannyj_098.jpg
    68,1 КБ · Просмотры: 181
Я такую лопасть сделал для своего, именно трапеция, с геометрической и профильной круткой.
Я такую лопасть сделал для своего, именно трапеция, с геометрической и профильной круткой.
Поделитесь технологией или этот сложно в изготовлении? Для меня обьяснять так : Берём тупой топор , идём в посадку к тополям и рубим самый высокий дерево ;D. Тяжело мне после самолётов перестроиться  к вертолёту.
Я так понимаю что для двух , что для трёх лопастей крутка одна и таже? Обороты ГВ или меньше или больше?
 
Спасибо. Дошло. 
И до меня "дошло", что всё сторого наоборот :-[: у НВ вертолёта, т.н. "отрицательная"крутка, т.е.  у комлевой части углы установки больше, чем на конце, что дает более равномерное распределение аэродинамических сил вдоль лопасти и уменьшает индуктивные потери.
Так что Извиняюсь за ошибку, старею наверное...А Вы, теоретики, чего не пнули меня сразу?
P.S. Предыдущий пост снёс
 
Вот смотрю на чертёж лопасти
Трехлопастных втулок с подвеской именно втулки к валу на кардане на сколько я помню не существует.

Остается тоько двухлопастная.
Сейчас может и не существует, но раньше существовала, и показывала неплохие результаты. 😉

Ткните носом где про неё прочитать 🙂
 
Трехлопастных втулок с подвеской именно втулки к валу на кардане на сколько я помню не существует.

Остается тоько двухлопастная.
Сейчас может и не существует, но раньше существовала, и показывала неплохие результаты. 😉
Покажешь???
 
увеличивается до указанных 8-12 градусов.
Даже вон у Робинсона крутка совсем небольшая, видно визуально. Значит чем то это обосновано? 
Коля, на этой картинке очень сложно визуально определить сколько их (градусов) там,
пять или все пятнадцать.
Погоди.
ri... обещал подкинуть информацию по робинзонам.
 
Суть изготовления лопасти с круткой и смысл этой картинки уяснил.  Ура ;D.
Значит по поводу крутки  решено ,  теперь  определиться стоит или не стоит три лопасти или две, дальше хорда , градусы  до 12 и вес одной лопасти?  Технология изготовления на скане ( в чертежах) меня устраивает, тем более можно по желанию утяжелить лопасть или оставить как есть.
 

Вложения

  • vpm.jpg
    vpm.jpg
    111,6 КБ · Просмотры: 220
Я такую лопасть сделал для своего, именно трапеция, с геометрической и профильной круткой.
Я такую лопасть сделал для своего, именно трапеция, с геометрической и профильной круткой.
Поделитесь технологией или этот сложно в изготовлении? Для меня обьяснять так : Берём тупой топор , идём в посадку к тополям и рубим самый высокий дерево ;D. Тяжело мне после самолётов перестроиться  к вертолёту.
Я так понимаю что для двух , что для трёх лопастей крутка одна и таже? Обороты ГВ или меньше или больше?

Отправил в ЛС.
 
Ткните носом где про неё прочитать
Это не ко мне, это к Андрею (Vertу). Он на автожирном где-то кидал фото такой втулки с небольшим коментом. Не помню где, если найду сам вечерком, перекину сюда это фото.
 
Назад
Вверх