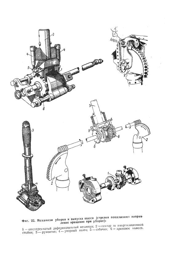
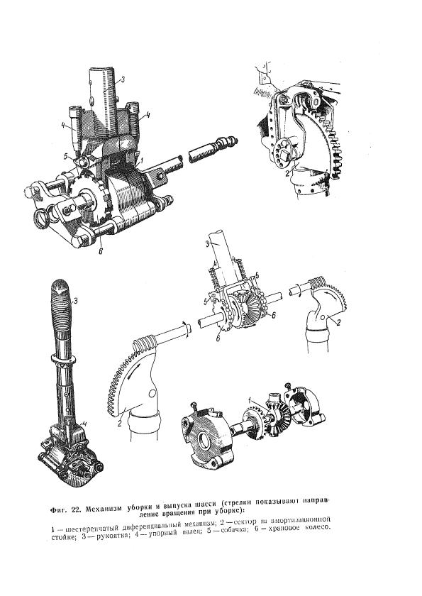
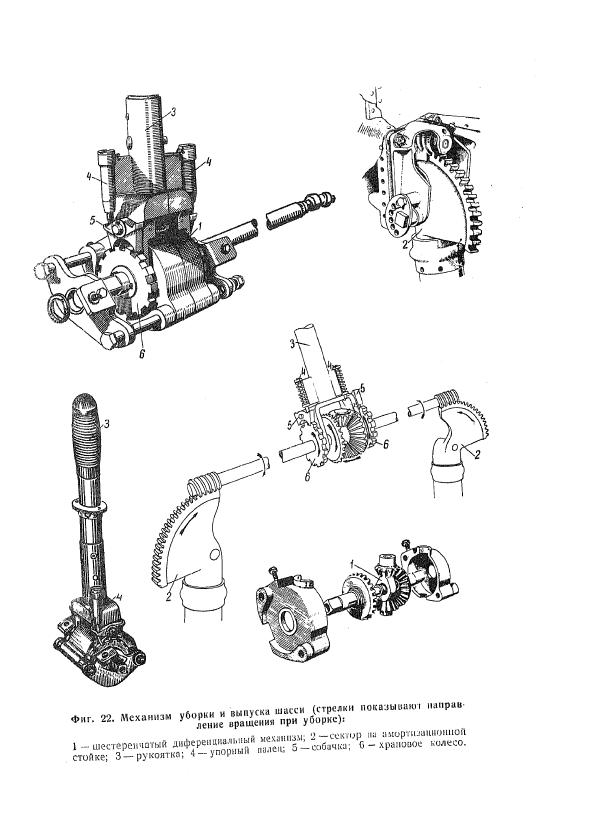
а кто подскажет про систему уборки шасси самолетов ВОВ? Как рассчитываются усилия в этих механизмах, выпуск, подЪем,замки? можно несколько схем кинематики.
Сейчас всё проще можно сделать в системе уборки/выпуска шасси(да и тогда они похожими были) - один электро-гидронасос, один гидроцилиндр и "ломающийся" подкос(на одну стойку) который служит и замком стойки шасси в выпущенном положении. В убранном положении стойку держит давление в гидроцилиндре.