Роторно-винтовой двигатель

Я не собираюсь вас уговаривать, как хотите, так и делайте. Но вы никогда на Лисхольмовских винтах не получите нужное вам объемное расширение, они для этого принципиально не годны - максимальная температура на входе на сегодняшний момент в винтовой блок составляет 350 градусов (паровые машины).
И еще, все ваши умозаключения никакого отношения к реальности не имеют. 180м/сек. принадлежат турбинному агрегату, а ваши винты если и раскрутите на 25 м/сек, то это уже будет хорошо, что примерно соответствует 5000 об/мин. Ну поднимите их до 12000 об/мин, тогда при 40-50 тыс. об. в турбине получите пропорцию 3-4, что позволит два агрегата связать кинематически.
Это единственно ВАША возможная рабочая схема, при условии что в винтовом блоке будет заложена возможность сжимать воздух по изотерме.
Волбще не согласен. Почему 180 м/с принадлежит турбинному агрегату???? Вы вкурсе что авиационные редукторы могут работать до 150 м/с в зацеплении?? И вы мне хотите заявить что я не раскручу бесконтактные винты до 200 м/с??? И с чего это винтовой блок лисхольма не может полноценно работать как детандер? Это полностью обратимая машина. Ну геометрия винтовой пары будет немного отличаться между компрессором и детандером, и что? А температуры... Так я не предлагаю прогревать винты до температуры рабочего газа. Я предлагаю пускать раскаленный газ и воду в одном канале. Капли воды летящие через раскаленный газ не сильно нагреваются. Передача тепла незначительная. Но при контакте капли воды с металлом, происходит очень интенсивная передача тепла. Учитывая скорости, при которых раскаленный газ проходит через две ступени винтового детандера, тепловые потери в воду будут не выше, чем у поршневика.
 
Возьмте сковородку, грейте её газовым резаком, а на поверхность сковороды пустите тонкую струйку воды. Вот и вся суть предложения. Вода является буфером между раскаленным газом и металлом. Таким образом в детандере можно держать температуру винтов в пределе 120 град С., а вываливать в него хоть раскаленный газ, хоть плазму. От температуры и давления будет зависеть количество воды, необходимое для впрыска. У меня получается на 1 литр всасываемого воздуха - 50 см куб воды.
 
И вы мне хотите заявить что я не раскручу бесконтактные винты до 200 м/с??? И с чего это винтовой блок лисхольма не может полноценно работать
Спорите о том, в чём вообще не разбираетесь, Лисхольм не может работать на этих оборотах. А детандер работает нормально только в области низких температур.

Заявлять о том, что раскаленный газ не будет греть корпус, даже говорить с вами после этого не о чем. Прослойка из воды...😆 ...плазма 🤣 ..."он" думает что капли воды пересекут плазму 😆😆😆
 
Ну повеселили, давно я так не смеялся.
 
Спорите о том, в чём вообще не разбираетесь, Лисхольм не может работать на этих оборотах. А детандер работает нормально только в области низких температур.

Заявлять о том, что раскаленный газ не будет греть корпус, даже говорить с вами после это не о чем.
Та ради Бога, никто вас не принуждает к общению. Я у себя в цеху наигрался и с плазморезами и с лазерной сваркой. Потому и говорю что надо делать буферную зону. И я не дебил, ракетчики таким же способом создают буферную зону в КС пуская керосин по стенке, который не участвует в горении. Достаточно взглянуть на конструкции жрд.
И почему детандер не может работать на высоких оборотах??? Потому что вы так сказали? Лично я раскрутил свою машину до 20000 об/мин при диаметре винтов 100 мм. Выше крутить было сыкотно, хотя возможно.
 
У вас между прочим тоже роторно винтовой двигатель, только с внутренним зацеплением. Правда не ясно с какой радости он называется волновым. Волновыми процессами там не пахнет. Моделирование такой геометрит показало что она не рациональна, слишком маленький рабочий объем при большой куче железа, и диаметры валов не позволят получить ввсокие обороты. Да и прочность тонкой шейки вала в зоне высоких давлений недостаточна. Так что классический лисхольм выигрывает. Продолжайте смеяться и веселиться.
 
Только я вам скажу что всё что мы сегодня имеем начиналось именно с фантазий.
ага интересная фантазия, температура поверхности солнца меньше 6000С, а вы на 30000-60000 замахнулись, так что это фантазия из разряда- вот если сделать унитаз из которого шоколадки выходить будут- будет здорово и для природы пользительно, а как это сделать пусть ученые решают
 
ага интересная фантазия, температура поверхности солнца меньше 6000С, а вы на 30000-60000 замахнулись, так что это фантазия из разряда- вот если сделать унитаз из которого шоколадки выходить будут- будет здорово и для природы пользительно, а как это сделать пусть ученые решают
От солнца жарко не потому что на поверхности 6000, потому что внутри миллионы. В ржд 4000, в токамаке миллион. И что? Вы хотите сказать что нельзя создать ядро в толще воды с температурой 30000? Аж легко. В плазморезах 20000-30000 градусов в дуге. Вам прислать фото струи? Или сами в интернете посмотрите? Какая то пустая болтовня. Никто вас нивчем не убеждает. Если тут есть люди способные думать, то пусть набрасывают мысли и идеи. А кидать гавно на вентилятор не нужно.
 
У вас между прочим тоже роторно винтовой двигатель, только с внутренним зацеплением. Правда не ясно с какой радости он называется волновым

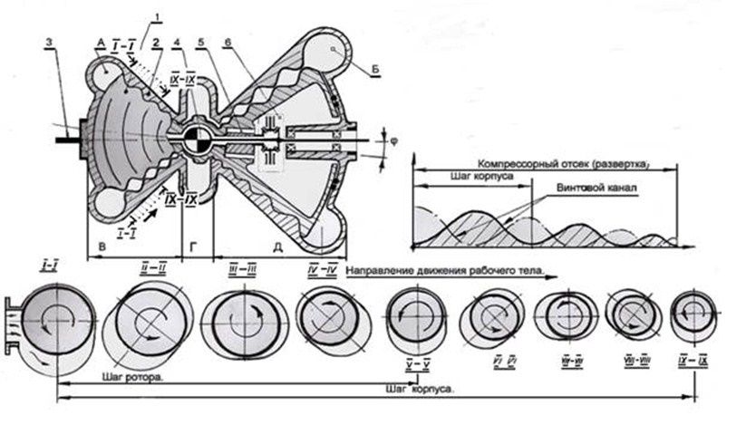
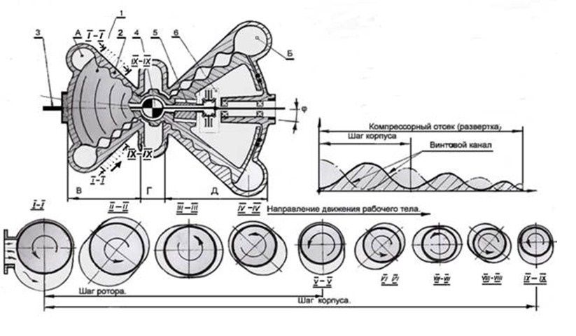
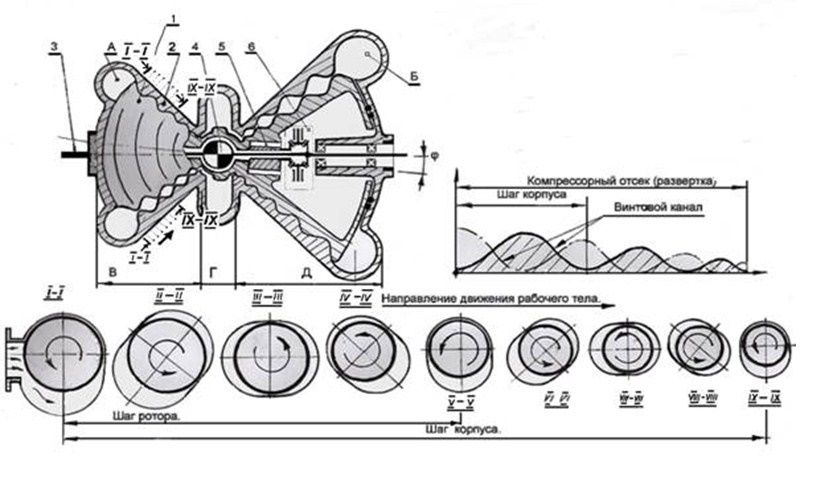
Заодно хочу ответить ( хотя и не стоило бы) собеседнику, что волновым признаком движения потока является образование в винтовом блоке "затухающих волн", между пиками которых и заключен сжимаемый газ. Но это очевидно только людям с образованием, тем же кто не видит сходства, можно ничего не объяснять, они всё равно ничего не поймут ни сейчас ни в будущем.

22.jpg
 
Пределы существующих двигателей уже достигнуты и в дизелях и в гтд. Дальше нужны новые идеи, причем не игра с геометрией или механикой с целью повышения кпд на 2-3%, а координальные решения, позволяющие в значительной степени повысить топливную эффективность и удельную мощность силовых установок. Единственный выход который я вижу это создание сверхкритических давлений и температур, и как следствие высоких скоростей окисления топлива.
К сожалению, создание сверхкритических давлений и температур (особенно в жидкостях!) и, как следствие, высоких скоростей окисления топлива ведёт к взрывному характеру работы, с которым не смогли справиться даже в космическом ЖРД, где и нужны самые высокие скорости...
Но! Вода действительно может дать самую высокую скорость теплообмена, например в двигателях (или движителях) где уже есть высокая разность температур... 😉
Скажите, если это Вам интересно...
 
К сожалению, создание сверхкритических давлений и температур (особенно в жидкостях!) и, как следствие, высоких скоростей окисления топлива ведёт к взрывному характеру работы, с которым не смогли справиться даже в космическом ЖРД, где и нужны самые высокие скорости...
Но! Вода действительно может дать самую высокую скорость теплообмена, например в двигателях (или движителях) где уже есть высокая разность температур... 😉
Скажите, если это Вам интересно...
Конечно мне это интересно. Я вас внимательно слушаю.

В жрд с этим не справились видимо из-за огромных расходов топлива и окислителя. Если взять например дизеля малой размерности, то насколько я знаю система коммон рейл позволила решить проблему взрывного воспламенения, не актуальную для больших дизелей. А именно пьезофорсунки позволяют осуществлять многоточечный впрыск топлива. Таким образом топливо подается не лавинообразно, а размазывается во времени. При этом сохраняется качество распыления. В предложенном двигателе так же можно установить не одну большую непрерывно льющую форсунку, а 4 маленьких, работающих в импульсном режиме. Так же можно формировать различный сдвиг фаз между впрысками форсунок. Возле каждой форсунки наверняка будет стоячая ударная волна, которая будет стимулировать процесс окисления. Эти вещи можно экспериментально определить во время настройки двигателя на стенде. Контроллер позволяет играться с топливными картами как угодно.
 
Заодно хочу ответить ( хотя и не стоило бы) собеседнику, что волновым признаком движения потока является образование в винтовом блоке "затухающих волн", между пиками которых и заключен сжимаемый газ. Но это очевидно только людям с образованием, тем же кто не видит сходства, можно ничего не объяснять, они всё равно ничего не поймут ни сейчас ни в будущем.

Посмотреть вложение 517326
Это однозаходный винт, который делает плавное сжатие без волн. Только в вашей схеме он совершает прецессию. Плохое решение. У европейцев такой компрессор имеет вращающийся корпус. Я ж говорю моделируйте. Станет сразу всё понятно
 
Назад
Вверх